
Advanced Fluoropolymer Devices GmbH
Precision Manufacturing Meets Transfer Molding
Installation and Operating Manual
Swing Check Valve

PFA Lined Swing Check Valve
Vibron9
This comprehensive manual provides detailed instructions for safe transport, installation, operation, and routine maintenance of your equipment.
Please review all sections carefully before proceeding. Keep this manual accessible for future reference.
Important Safety Notice
Carefully observe these operating instructions before transport, installation, operation, and maintenance!
Failure to follow proper procedures may result in equipment damage, personal injury, or voided warranty.
Manual Information
- Document Version: 1.0
- Last Updated: October 04, 2025
- Document Type: Installation and Operating Manual
- Language: English
Quick Reference Guide
📋 Before You Start
🚚 Transport Guidelines
⚙️ Installation Process
🔧 Operation Manual
🛠️ Maintenance Schedule
📞 Support Contact
Parameter | Value |
---|---|
Name | Vibron9 |
Design norm | DIN | ANSI |
Size | DN 40-400 | NPS 1 ½"-16" |
Flange dimensions | DIN EN 1092-1, PN 16 | ANSI B 16.5 Cl. 150/B16.42 |
Face to face dimensions | DIN EN 558-1 Row 20, ISO 5752 | API 609/BS 5155 |
Lining | PFA Lining 3mm - 5mm thickness), PFA Conducting |
Body | 1.0619 or 1.4308/1.4408/1.4409 | A216/WCB,CF8/CF8M/CF3M |
Pressure | 0.1 mbar vacuum to 16 bar |
Temperature range | -40°C up to +150°C |
Leakage rate | Leakage Rate D |
Custom | PTFE solid retainer ring |
Quality | Body 15bar, Back Seat 2bar, Spark Test 15kV DC |

No weight data available for DIN.
No weight data available for ANSI.

P-T-Diagram for the Swing Check Valve
Metaobject reference custom.manual_safety
is blank.
[No Chapter Heading]
Metaobject reference custom.manual_operations
is blank.
Metaobject reference custom.manual_malfunctions
is blank.
10. Dimensional Drawings
10.1 Dimensional Measurements DIN

Size | A2 | B (mm) | C (mm) | D (mm) | E (mm) | Inner Pipe Min | Inner Pipe Max | Opening Max |
---|---|---|---|---|---|---|---|---|
DN 40 | 33 mm | 20 mm | 35 mm | 95 mm | 70 mm | 35 mm | 46 mm | 52° |
DN 50 | 43 mm | 30 mm | 52 mm | 110 mm | 90 mm | 46 mm | 56 mm | 52° |
DN 80 | 46 mm | 42 mm | 64 mm | 142 mm | 124 mm | 73 mm | 82 mm | 52° |
DN 100 | 52 mm | 65 mm | 80 mm | 180 mm | 152 mm | 95 mm | 100 mm | 60° |
DN 150 | 56 mm | 111 mm | 128 mm | 295 mm | 260 mm | 192 mm | 195 mm | 60° |
DN 250 | 68 mm | 184 mm | 224 mm | 348 mm | 317 mm | 242 mm | 260 mm | 52° |
DN 300 | 78 mm | 232 mm | 272 mm | 398 mm | 367 mm | 292 mm | 310 mm | 52° |
DN 350 | 92 mm | 252 mm | 297 mm | 426 mm | 397 mm | 315 mm | 330 mm | 48° |
DN 400 | 102 mm | 327 mm | 370 mm | 510 mm | 470 mm | 380 mm | 390 mm | 45° |
10.2 Dimensional Measurements ANSI

Size | A2 | B (mm) | C (mm) | D (mm) | E (mm) | Inner Pipe Min | Inner Pipe Max | Opening Max |
---|---|---|---|---|---|---|---|---|
NPS 1 1/2" | 33 mm | 20 mm | 35 mm | 95 mm | 70 mm | 35 mm | 46 mm | 52° |
NPS 2" | 43 mm | 30 mm | 52 mm | 110 mm | 90 mm | 46 mm | 56 mm | 52° |
NPS 3" | 46 mm | 42 mm | 64 mm | 142 mm | 124 mm | 73 mm | 82 mm | 52° |
NPS 4" | 52 mm | 65 mm | 80 mm | 180 mm | 152 mm | 95 mm | 100 mm | 60° |
NPS 6" | 56 mm | 111 mm | 128 mm | 207 mm | 145 mm | 150 mm | 150 mm | 60° |
NPS 8" | 60 mm | 133 mm | 175 mm | 295 mm | 260 mm | 192 mm | 195 mm | 60° |
NPS 10" | 68 mm | 184 mm | 224 mm | 348 mm | 317 mm | 242 mm | 260 mm | 52° |
NPS 12" | 78 mm | 232 mm | 272 mm | 298 mm | 267 mm | 292 mm | 310 mm | 52° |
NPS 14" | 92 mm | 252 mm | 297 mm | 426 mm | 397 mm | 315 mm | 330 mm | 48° |
NPS 16" | 102 mm | 327 mm | 370 mm | 510 mm | 470 mm | 380 mm | 390 mm | 45° |
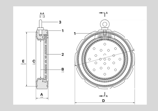
11. Sectional Drawing

Pos. | Item | Material |
---|---|---|
1 | Lined Body | WCB, CF8 - PFA Lined |
2 | Disc | WCB, CF8 - PFA Lined |
3 | Eye Bolt | Stainless Steel |
Metaobject reference custom.manual_declarations
is blank.