
Advanced Fluoropolymer Devices GmbH
Precision Manufacturing Meets Transfer Molding
Installation and Operating Manual
Control Valve

PFA Lined Control Valve
Imperium9
This comprehensive manual provides detailed instructions for safe transport, installation, operation, and routine maintenance of your equipment.
Please review all sections carefully before proceeding. Keep this manual accessible for future reference.
Important Safety Notice
Carefully observe these operating instructions before transport, installation, operation, and maintenance!
Failure to follow proper procedures may result in equipment damage, personal injury, or voided warranty.
Manual Information
- Document Version: 1.0
- Last Updated: October 04, 2025
- Document Type: Installation and Operating Manual
- Language: English
Quick Reference Guide
📋 Before You Start
🚚 Transport Guidelines
⚙️ Installation Process
🔧 Operation Manual
🛠️ Maintenance Schedule
📞 Support Contact
Parameter | Value |
---|---|
Name | Imperium9 |
Operational characteristics | Equal percentage, Linear, On/Off |
Design norm | DIN |
Size | DN 15-100 |
Flange dimensions | DIN 2501 (PN 16) | ASME B16.10 (Class 150-RF LP) |
Face to face dimensions | PN (EN 558-1), Series 1 |
Actuator | Actuated version available. |
Plug and stem | Plug Guide: stem guided, optional: seat guided (V-plug, U-plug from DN 80 to DN 100) Rangeability: 1:25, V-plug 1:100 (min. kvs-value 0.01 m³/h to 1.2 m³/h) Bellows: all valves are in heavy-duty PFA bellows |
Lining | PFA, PFA/AS, PVDF |
Body | 1.0619 , 1.4308, 1.4408/ A216WCB, CF8-M or CF-8 |
Pressure | 0.1 mbar vacuum to 16 bar (requires special bellows) |
Temperature range | -60°C to +180°C |
Leakage rate | leakage rate class VI |
Custom | Heating jacket |
Quality | Body 24 bar(P10|P11|P12), Dielectric strength test 15/20 kV, C4 external coating |
Certificates | EU Pressure Equipment Directive 2014/68/EU |

DIN Weight Specifications
Size DIN | Weight |
---|---|
DN 15 | 6 kg |
DN 20 | 6 kg |
DN 25 | 11 kg |
DN 40 | 16 kg |
DN 50 | 19 kg |
DN 80 | 39 kg |
DN 100 | 44 g |
ANSI Weight Specifications
Size ANSI | Weight |
---|---|
NPS ½" | 6 kg |
NPS ¾" | 6 kg |
NPS 1" | 11 kg |
NPS 1½" | 16 kg |
NPS 2" | 19 kg |
NPS 3" | 39 kg |
NPS 4" | 44 kg |
DIN Pipe Screws
Size | Screws | Tightening Torque [Nm] [Nm/lbs] |
---|---|---|
DN 15 | 4 x M12 | 6 |
DN 20 | 4 x M12 | 8 |
DN 25 | 4 x M12 | 10 |
DN 40 | 4 x M16 | 20 |
DN 50 | 4 x M16 | 26 |
DN 80 | 8 x M16 | 25 |
DN 100 | 8 x M16 | 35 |
ANSI Pipe Screws
Size | Screws | Tightening Torque [Nm] [Nm/lbs] |
---|---|---|
NPS ½" | 4 x ½“ | 45/5 |
NPS ¾" | 4 x ½“ | 55/6 |
NPS 1" | 4 x ½“ | 70/8 |
NPS 1½" | 4 x ½“ | 135/15 |
NPS 2" | 4 x ⅝“ | 220/15 |
NPS 3" | 4 x ⅝“ | 400/45 |
NPS 4" | 8 x ⅝“ | 310/35 |
DIN Body Screws
Size | Screws | Tightening Torque [Nm] [Nm/lbs] |
---|---|---|
DN 15 | 4 x M12 | 35/310 |
DN 20 | 4 x M12 | 35/310 |
DN 25 | 4 x M12 | 35/310 |
DN 40 | 4 x M16 | 45/398 |
DN 50 | 4 x M16 | 45/398 |
DN 80 | 8 x M16 | 50/442 |
DN 100 | 8 x M16 | 60/531 |
ANSI Body Screws
Size | Screws | Tightening Torque [Nm] [Nm/lbs] |
---|---|---|
NPS ½" | 4 x M12 | 310/35 |
NPS ¾" | 4 x M12 | 310/35 |
NPS 1" | 4 x M12 | 310/35 |
NPS 1½" | 4 x M16 | 398/45 |
NPS 2" | 4 x M16 | 398/45 |
NPS 3" | 8 x M20 | 442/50 |
NPS 4" | 12 x M24 | 531 /80 |
DIN Cover Screws
Size | Screws | Tightening Torque [Nm] [Nm/lbs] |
---|---|---|
DN 15 | 4 x M10 | 30/226 |
DN 20 | 4 x M10 | 30/226 |
DN 25 | 4 x M12 | 50/442 |
DN 40 | 4 x M12 | 50/442 |
DN 50 | 4 x M12 | 50/442 |
DN 80 | 8 x M12 | 50/442 |
DN 100 | 8 x M12 | 50/442 |
ANSI Cover Screws
Size | Screws | Tightening Torque [Nm] [Nm/lbs] |
---|---|---|
NPS ½" | 4 x 3/8" | 30/266 |
NPS ¾" | 4 x 3/8" | 30/266 |
NPS 1" | 4 x ½“ | 50/442 |
NPS 1½" | 4 x ½“ | 50/442 |
NPS 2" | 4 x ½“ | 50/442 |
NPS 3" | 8 x ½“ | 50/442 |
NPS 4" | 8 x ½“ | 50/442 |
DIN Seat Screws
Size | Tightening Torque [Nm] [Nm/lbs] |
---|---|
DN 15 | 3/26 |
DN 20 | 3/26 |
DN 25 | 6/53 |
DN 40 | 12/106 |
DN 50 | 16/142 |
DN 80 | 28/248 |
DN 100 | 30/265 |
ANSI Seat Screws
Size | Tightening Torque [Nm] [Nm/lbs] |
---|---|
NPS ½" | 3/26 |
NPS ¾" | 3/26 |
NPS 1" | 6/53 |
NPS 1½" | 12/106 |
NPS 2" | 16/142 |
NPS 3" | 28/248 |
NPS 4" | 30/265 |
DIN Flow Rate
Size | KVS Value |
---|---|
DN 15 | V Plugs (Seat in Ø: 8/8/8/8/8/8 mm): 0,01(0,012)/0,02(0,023)/0,05(0,06)/0,1(0,12)/0,2(0,23)/0,5(0,58) m3/h(USgpm) Parabol-plugs(Seat in Ø: 8/8/15mm): 1,2(1,4)/2,0(2,3)/4,0(4.7) m3/h(USgpm) |
DN 20 | V Plugs (Seat in Ø: 8/8/8/8 mm): 0,05(0,06)/0,1(0,12)/0,2(0,23)/0,5(0,58) m3/h(USgpm) Parabol-plugs(Seat in Ø: 8/8/15mm): 1,2(1,4)/2,0(2,3)/4,0(4.7) m3/h(USgpm) |
DN 25 | V Plugs (Seat in Ø: 8/14/14/14/14/14/14/14 (mm): 0,01(0,012)/0,02(0,23)/0,05(0,06)/0,10(0,12)/0,20(0,23)/0,50(0,58)/0,80(0,93)/1,20(1,4) m3/h(USgpm) Parabol-plugs(Seat in Ø: 8/15/20/25mm): 2,00(2,3)/4(4,7)/7(8.2)/11(12,8) m3/h(USgpm) |
DN 40 | Parabol-plugs(Seat in Ø: 15/20/25/30/40mm): 4(4,7)/7(8.2)/11(12,8)/15(17,5)/28(32,6) m3/h(USgpm) |
DN 50 | Parabol-plugs(Seat in Ø: 15/20/25/30/40/50mm): 4(4,7)/7(8.2)/11(12,8)/15(17,5)/28(32,6)/42(48,9) m3/h(USgpm) |
DN 80 | Parabol-plugs(Seat in Ø: 30/40/50/65/80 mm): 15(17,5)/28(32,6)/42(48,9)/65(75,7)/ 100(117) m3/h(USgpm) U-Plugs(Seat in Ø: 80): 90(105) m3/h(USgpm) |
DN 100 | Parabol-plugs(Seat in Ø: 50/65/80/96 mm): 42(48,9)/65(75,7)/ 100(117)/155(180) m3/h(USgpm) U-Plugs(Seat in Ø: 80/96): 90(105)/135(157) m3/h(USgpm) |
ANSI Flow Rate
Size | CV Value |
---|---|
NPS ½" | V Plugs (Seat in Ø: 8/8/8/8/8/8 mm): 0,01(0,012)/0,02(0,023)/0,05(0,06)/0,1(0,12)/0,2(0,23)/0,5(0,58) m3/h(USgpm) Parabol-plugs(Seat in Ø: 8/8/15mm): 1,2(1,4)/2,0(2,3)/4,0(4.7) m3/h(USgpm) |
NPS ¾" | V Plugs (Seat in Ø: 8/8/8/8 mm): 0,05(0,06)/0,1(0,12)/0,2(0,23)/0,5(0,58) m3/h(USgpm) Parabol-plugs(Seat in Ø: 8/8/15mm): 1,2(1,4)/2,0(2,3)/4,0(4.7) m3/h(USgpm) |
NPS 1" | V Plugs (Seat in Ø: 8/14/14/14/14/14/14/14 (mm): 0,01(0,012)/0,02(0,23)/0,05(0,06)/0,10(0,12)/0,20(0,23)/0,50(0,58)/0,80(0,93)/1,20(1,4) m3/h(USgpm) Parabol-plugs(Seat in Ø: 8/15/20/25mm): 2,00(2,3)/4(4,7)/7(8.2)/11(12,8) m3/h(USgpm) |
NPS 1½" | Parabol-plugs(Seat in Ø: 15/20/25/30/40mm): 4(4,7)/7(8.2)/11(12,8)/15(17,5)/28(32,6) m3/h(USgpm) |
NPS 2" | Parabol-plugs(Seat in Ø: 15/20/25/30/40mm): 4(4,7)/7(8.2)/11(12,8)/15(17,5)/28(32,6) m3/h(USgpm) |
NPS 3" | Parabol-plugs(Seat in Ø: 30/40/50/65/80 mm): 15(17,5)/28(32,6)/42(48,9)/65(75,7)/ 100(117) m3/h(USgpm) U-Plugs(Seat in Ø: 80): 90(105) m3/h(USgpm) |
NPS 4" | Parabol-plugs(Seat in Ø: 50/65/80/96 mm): 42(48,9)/65(75,7)/ 100(117)/155(180) m3/h(USgpm) U-Plugs(Seat in Ø: 80/96): 90(105)/135(157) m3/h(USgpm) |
DIN Cavitation Coefficient
Size | Cavitation Coefficient Z for Seat ø |
---|---|
DN 15 | Seat in Ø (8/14/15): 0,6/0,6/0,6 |
DN 20 | Seat in Ø (8/14/15): 0,6/0,6/0,6 |
DN 25 | Seat in Ø (8/14/15): 0,6/0,6/0,6 |
DN 40 | Seat in Ø (15/20/25/30/40): 0,6/0,6/0,55/0,5 |
DN 50 | Seat in Ø (20/25/30/40/50): 0,6/0,6/0,55/0,5/0,4 |
DN 80 | Seat in Ø (30/40/50/65/80): 0,55/0,5/0,45/0,32/0,3 |
DN 100 | Seat in Ø (50/65/80/96): 0,47/0,33/0,3/0,26 |
ANSI Cavitation Coefficient
Size | Cavitation Coefficient Z for Seat ø |
---|---|
NPS ½" | Seat in Ø (8/14/15): 0,6/0,6/0,6 |
NPS ¾" | Seat in Ø (8/14/15): 0,6/0,6/0,6 |
NPS 1" | Seat in Ø (8/14/15): 0,6/0,6/0,6 |
NPS 1½" | Seat in Ø (15/20/25/30/40): 0,6/0,6/0,55/0,5 |
NPS 2" | Seat in Ø (20/25/30/40/50): 0,6/0,6/0,55/0,5/0,4 |
NPS 3" | Seat in Ø (30/40/50/65/80): 0,55/0,5/0,45/0,32/0,3 |
NPS 4" | Seat in Ø (50/65/80/96): 0,47/0,33/0,3/0,26 |
𝑋𝐹 = ∆𝑝 / 𝑝1−𝑝𝑣
Variable definition:
XF = Differential pressure ratio
p1 = Absolute pressure at inlet
pv = Vapour pressure at operating temp
Δp = Differential pressure input/outlet
Result interpretation:
XF ≤ z : non-critical conditions
XF ≤ 1,4 x z : tolerable cavitation
XF > 1,4 x z : inadmissible cavitation
The values specified in the tables apply to a seat/plug material of PTFE. With other materials, e.g. PTFE/carbon, higher closing forces are required. Please inquire at
manufacturer's.
If the maximum Δp is < p2, p2 is used in the tables. observe the application limits acc. to the pressure-temperature diagram in Section 1.6.
A mechanical travel stop is required in the area marked. It is provided when:
Δp > 10 bar / 145 psi to Seat-Ø 15-50 mm
Δp > 6 bar / 87 psi to Seat-Ø ≥ 65 mm


Control Valve P-T-Diagram for different Bellow Configurations

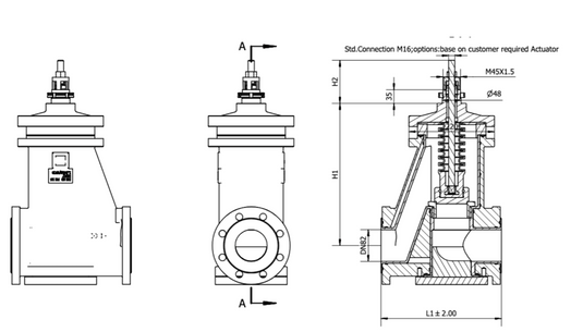
10. Dimensional Drawings
10.1 Dimensional Measurements DIN

Size | L | H | ød | øk | øD | Bolting | Weight |
---|---|---|---|---|---|---|---|
DN 15 | 130 mm | 130 mm | 45 mm | 65 mm | 95 mm | 4 x 14 (M12) | 6 kg |
DN 20 | 150 mm | 130 mm | 58 mm | 75 mm | 105 mm | 4 x 14 (M12) | 6 kg |
DN 25 | 160 mm | 185 mm | 68 mm | 85 mm | 115 mm | 4 x 14 (M12) | 11 kg |
DN 40 | 200 mm | 225 mm | 88 mm | 110 mm | 150 mm | 4 x 18 (M16) | 16 kg |
DN 50 | 230 mm | 230 mm | 102 mm | 125 mm | 165 mm | 4 x 18 (M16) | 19 kg |
DN 80 | 310 mm | 340 mm | 138 mm | 160 mm | 200 mm | 8 x 18 (M16) | 39 kg |
DN 100 | 350 mm | 350 mm | 158 mm | 180 mm | 220 mm | 8 x 18 (M16) | 44 g |
10.2 Dimensional Measurements ANSI

Size | L1 | H | ød | øk | øD | Bolting | Weight |
---|---|---|---|---|---|---|---|
NPS ½" | 130 mm | 130 mm | 34.9 mm | 60.3 mm | 88.9 mm | 4 x 15.9 | 6 kg |
NPS ¾" | 130 mm | 130 mm | 42.9 mm | 69.8 mm | 98.4 mm | 4 x 15.9 | 6 kg |
NPS 1" | 160 mm | 185 mm | 50.8 mm | 79.4 mm | 108 mm | 4 x 15.9 | 11 kg |
NPS 1½" | 200 mm | 225 mm | 73 mm | 98.4 mm | 127 mm | 4 x 15.9 | 16 kg |
NPS 2" | 230 mm | 230 mm | 92.1 mm | 121 mm | 152.4 mm | 4 x 19 | 19 kg |
NPS 3" | 310 mm | 340 mm | 127 mm | 152.4 mm | 190.5 mm | 4 x 19 | 39 kg |
NPS 4" | 350 mm | 350 mm | 157.2 mm | 190 mm | 228.6 mm | 8 x 19 | 44 kg |
11. Sectional Drawing

Pos. | Item | Material |
---|---|---|
1 | Body | 1.0619 or 1.4308/1.4408/1.4409 | A216/WCB,CF8/CF8M/CF3M |
2 | Lining | PFA Perfluoralkoxy (standard) or PFA-LantistaticF-L (on request) |
3.1 | Trim Variant 1 | Plug (TFM-PTFE) | Seat (TFM-PTFE) | Bellow (PFA HD-bellow (standard)) |
3.2 | Trim Variant 2 | V-Plug (TFM-PTFE) | Seat (TFM-PTFE) | Bellow (PFA HD-bellow) |
3.3 | Trim Variant 3 | U Plug (TFM-PTFE) | Seat (TFM-PTFE) | Bellow (PFA HD-bellow (standard)) |
4 | Bellow | PFA |